碧水源MBR弦纹平板膜梯度网络孔结构独立产水流道
CMS-I-6-30
碧水源MBR弦纹平板膜拥有强大的生产产能; 采用先进的微波成型和均质复合工艺,颠覆了常规膜平板膜的设计理念; 整合了中空纤维膜和传统平板膜的双重优势,同时摒弃了它们的劣势; 独有的弦纹结构,减少了内部流道阻力,同时增加了外部的擦洗效率; 先进的设计结合精确的制造,成就了这款独一无二的创新性产品。突破中空纤维膜与平板膜的局限集高效节能、可靠运行于一身新一代水处理产品。

一、碧水源MBR弦纹平板膜创新的结构
MBR 系统中,原水中有机物的去除与传统的活性污泥法相同,需要微生物对有机物降解。由于膜的存在使得对原水的要求与传统活性污泥法略有不同,尤其在处理工业污水时,首先应考虑水中是否含有对膜元件有损害的物质,以及这些物质的可降解性。通常情况下,需要对原水水质进行全面的分析并进行充分的小型实验验证。
当用于处理工业废水时,要调查分析进水来源状况,特别注意是否含有对膜产生危害的物质。当工业废水中含有微生物难以降解的高分子物质时,应考虑减小进水负荷,或采用其他预处理措施。有关工业污水处理是否适用本产品请另行咨询本公司。

碧水源MBR弦纹平板膜 CWT 主要进出水水质指标
|
指标
|
进水水质
|
|
化学需氧量CODcr(mg/L)
|
<500
|
|
生化需氧量BOD5(mg/L)
|
<300
|
|
悬浮物SS(mg/L)
|
<200
|
|
钙离子(Ca2+)(mg/L)
|
<100
|
|
氯离子浓度(mg/L)
|
<2000
|
|
水温T(℃)
|
5~40
|
*钙离子浓度大于100mg/L时,建议用酸(盐酸、柠檬酸等)进行在线药洗;
*氯离子浓度大于2000mg/L时,建议更换膜架材质;
*温度低于10℃,膜通量可能会有所衰减。
二、碧水源MBR弦纹平板膜 确认膜池混合液性质
膜池中混合液的污泥浓度,对膜系统运行稳定性影响较大,恒流运行的情况下,污泥浓度过高将引起抽吸压力较快上升( 膜的污染过程加快), 因此必须控制好污泥浓度在上限以下运行,过低的污泥浓度对膜生物反应器的正常运行也是不利的,污泥浓度小于3000 mg/L时,也可能造成膜污染的加快。对于弦纹平板膜系统,可在较高的污泥浓度下运行,建议范围为3000~15000mg/L,推荐运行为5000~12000mg/L。

三、碧水源MBR弦纹平板膜 膜组器的规格
弦纹膜的面积和元件类型确认后,需进一步确认膜池的形状和尺寸(图纸),有效的液位高度,然后对照弦纹膜的标准组器进行选型.

碧水源MBR弦纹平板膜 选型原则:
(1) 先确定使用的膜组件类型和总膜面积;
(2) 根据膜池的尺寸,确定选用的组器层数;
(3) 选择标准组器中层数一致,膜面积相近的组器即可。

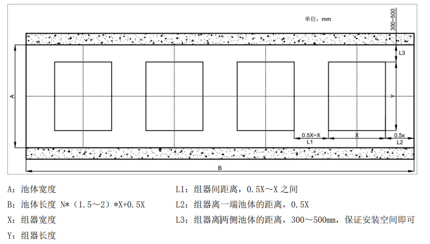
四、碧水源MBR弦纹平板膜 膜组器的布置

碧水源MBR弦纹平板膜 管道阀门设计

碧水源MBR弦纹平板膜 工程案例
碧水源MBR弦纹平板膜 应用领域








