| 用途: XZZ型旋风除尘器主要用于机烧层燃热水或蒸汽锅炉,XZZ型旋风除尘器同样适用于木材加工及其它工业除尘上的需要。 构造特点: a.设计了直通型旁室,能有效地消除上灰环现象,且不易堵塞。 b.设计了接近直筒形的锥体结构,消除了下灰环的形成,避免了局部磨损和粗颗拄粉尘的反弹现象,提高T使用寿命和除尘效率。 c.设计了能有效地阻止下部粉尘二次飞扬的装置,是国内首创的独特形式。 工作原理: 舍尘气流经收缩形进口切向进入除尘器蜗壳时,由上向下作螺旋形旋转运动,尘耘在离心力的作用下被抛向器壁,并沿器壁下旋,进入特殊结构的密封收尘装置内;净化后的气体由下向上作内螺旋形旋转经芯管排出。 |
|||||||
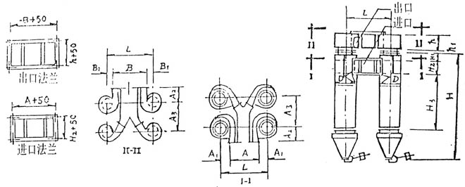
| XZZ—Ⅲ | 型 旋 风 除 尘 器 双 筒 并 联 外 形 图 | ||||||
| XZZ—Ⅲ/T | |||||||
![]() |
|||||||
| XZZ—Ⅲ | 型 旋 风 除 尘 器 四 筒 并 联 外 形 图 | ||||||
| XZZ—Ⅲ/T | |||||||
![]() |
|||||||
1.在锅炉运行前应先检查收灰装置(灰箱或灰斗)密封是否良好,密封后运行。在锅炉满负荷运行时可依照收集灰尘的量决定排灰间隔时间,一般可每8小时排灰一次。排灰时必须将引风机停转后再开启排灰口;排灰后,将排灰口重新盖严后,再开动引风机转入正常运行。 2.除尘器在负压吸入式运行时要求严密不漏风,尤其是收尘装置,切忌漏风,以免影响除尘效率。 3.除尘器在除尘系统中的联接方式一般采用负压吸入式,可以减少尘粒对引风机的磨损,如设计要求或其它原因亦可采用正压压出式。 4.对寒冷地区,特别是间歇性使用的锅炉,当除尘器安装在室外时,应对除尘器采取保温措施。对蒸发量小于1吨/时的小型锅,并配有予热水箱时,应注意排烟温度不宜过低.以免结露造成除尘器积灰堵塞。 5.XZZ—Ⅲ/T型旋风除尘器因内壁涂有耐磨涂料,切忌敲打除尘器,以免涂料层脱落。 6.使用中属产品质量问题可向我厂联系,有关探讨技术性问题,可向该产品研制单位同济大学暖通教研室联系。 安装说明 1.除尘器应严格按照设计要求进行安装,负压吸入式见图1。正压压出式见图2。 2.在安装连接件各部法兰时,密封垫料应加在螺栓内侧以保证密封。为减少烟道的阻力.应尽可能缩短管路的长度和减少弯头,切忌在除尘器进口处安置弯头,保证除尘器进口气流平直均匀。连接管道管径应不小于除尘器芯管直径。 3.安装XZZ—Ⅲ型(A)除尘器时,排灰装置的排灰口应距离地面高0.6~l.0米以便运灰小车通过。 4.除尘器出口蜗壳是否配带由用户,设计单位决定,除尘器有无蜗壳对除尘效率无影响,但带蜗壳后的出口气流较均匀平直,高度亦低于弯头连接。对多筒并联安装时,则均应配带出口蜗壳。 5.安装前请检查 ①除尘器型号、规格、核对标牌和产品合格讧; ②检查除尘器本体和配套件是否齐全、完正; ③严格检查设备在运输中是否变形损坏,如有损坏应进行修复后安装,损坏严重时应予掉换。 ④ 用XZZ—Ⅲ/T型时,应仔细检查涂料的光滑性.均匀性和完正性。 |
|||||||
![]() 图1 除尘器正压系统示意图 |
|||||||
| 订货须知: 1.XZZ—Ⅲ型系列旋风除尘器的需用单位可直接来厂订贷或来函洽购。 2.订赏时应说明除尘器型号规格、进口气流旋转方向(左旋,右旋)、收灰装置型式(A型、B型)。要求供贷日期、供贷方式等。 3.本厂可根据用户、设计单位来图加工其它形式的收灰装置和连接管道等。并可进行除尘系统的安装任务。 4.本厂设有技术咨询服夸。用户、设计单位如有技术上问题,除向我厂技术科联系外,可直接向我厂的技术顾问上海同济大学机械工程学院热能工程系暖通实验室江智贤老师等联系。 |
|||||||
![]() 图2 除尘器负压系统示意图 |
|||||||




通过认证 






